全国服务热线

FNA25060 是一款 Motion SPM®模块,为交流感应、BLDC 和 PMSM 电机提供功能齐全的高性能逆变器输出级。这些模块集成经优化的内置 IGBT 栅极驱动,降低了电磁干扰 (EMI) 和功耗。
应用:
运动控制-家用设备/工业电机
138-2522-5672
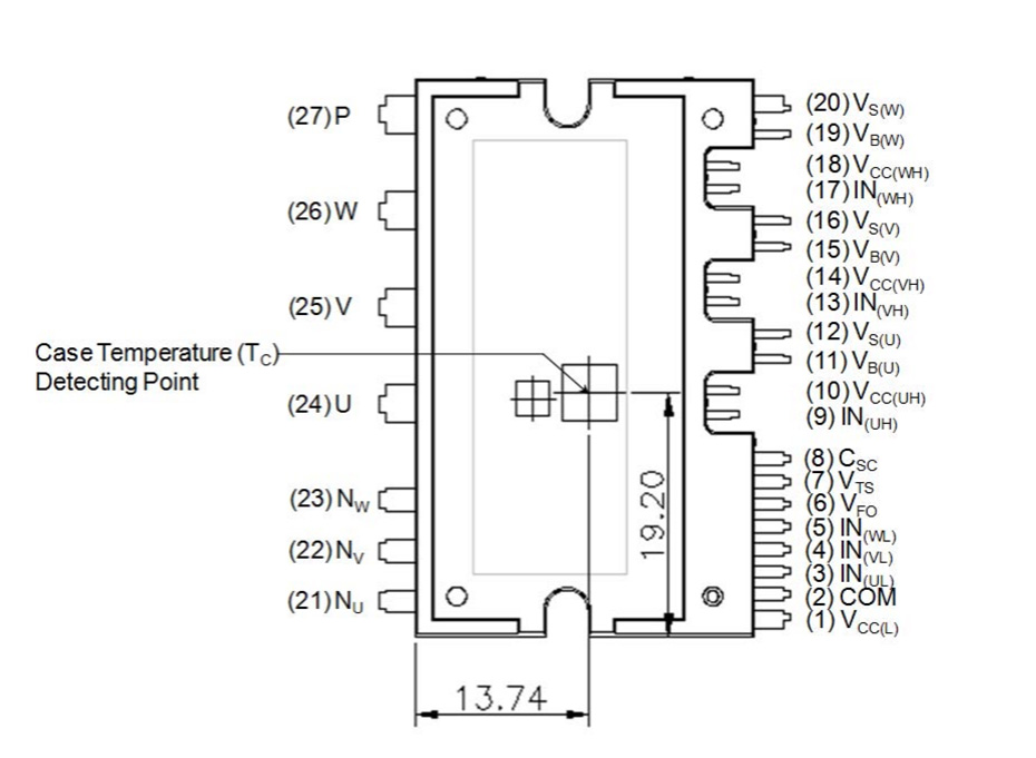
FSBB10CH120D 是一款 Motion SPM® 3 模块,为交流感应、BLDC 和 PMSM 电机提供功能齐全的高性能逆变器输出级。 这些模块集成了内置 IGBT 已优化的栅极驱动,从而降低 EMI 和损耗,同时提供多种模块化保护特性,包括欠压锁定、过流关断和故障报告。 内置高速 HVIC 仅需要单电源电压并将收到的逻辑电平栅极输入信号转换为高电压、高电流驱动信号,从而有效驱动模块的内部 IGBT。 独立负 IGBT 引脚适用于各相位,以支持广泛的算法控制。
1200 V - 10 A 三相 IGBT 逆变器,带积分栅极驱动器和保护功能
低功耗、额定短路 IGBT
使用 Al2O3陶瓷基质实现极低热阻
专用 Vs 引脚能够简化 PCB 布局
低侧 IGBT 的独立发射极开路引脚用于三相电流检测
单相接地电源
绝缘等级: 2500 Vrms/分
| 产品 | 合规 | Family | Rated Voltage Min (V) | IO @ 25 °C Min (A) | VCE(sat) @ 25 °C Typ (V) | RDS(on) (Ω) | Emitter Configuratio n | Shutdown Pin | Package Type |
| FSBB10CH120D | Pb-free Halide free | SPM® 3 Series | 1200 | 10 | 2.2 | 3 emitter pins | No | DIP-027 |
致诚达作为元器件供应链生态圈领跑者,旗下代理众多有名品牌,为推动中国电子元器件行业发展而不懈努力!创世界标准、建系统管理、奉精诚服务作为企业宗旨,产品广泛运用于工业领域的变频器、伺服器、工业缝纫机、磁感应加热、大功率电源等